Hiện tại, các gia đình đã lắp đặt và trang bị thêm rơ le nhiệt để đảm bảo an toàn cho trẻ nhỏ cũng như bảo vệ hệ thống điện. Thêm vào đó, thiết bị điện dân dụng này còn được sử dụng rộng rãi trong nhiều công trình xây dựng. Mời bạn đọc cùng Đại Việt tham khảo bài viết dưới đây để tìm hiểu thêm thông tin về sản phẩm thông minh này!
Rơ le nhiệt là gì?
Rơ le nhiệt là một thiết bị dùng để bảo vệ các mạch điện, tránh gây hư hỏng cho hệ thống điện khi dòng điện quá tải, tăng đột ngột hoặc rò rỉ ra bên ngoài. Sản phẩm này còn được gọi là Relay.
Thiết bị điện dân dụng rơ le nhiệt được xem là một trong những thiết bị quan trọng và không thể thiếu trong mỗi gia đình, công trình hoặc dự án lớn. Sản phẩm này được ứng dụng rộng rãi trong đời sống, giúp mọi người thuận tiện hơn trong công việc và tiết kiệm thời gian.

Ngoài ra, thiết bị nhiệt này còn được dùng cho dòng điện xoay chiều với công suất tiêu thụ lớn đến 500V, tần số 50Hz. Bên cạnh đó, rơ le còn có nhiều loại lên đến 150A và 440V dành cho dòng điện một chiều.
Xem thêm: Bảng giá cadivi mới nhất của Đại lý cấp 1 Cadivi – Đại Việt
Người phát minh rơ le nhiệt
Vào năm 1835, rơ le nhiệt được phát minh bởi Joseph Henry, một nhà tiên phong điện từ người Mỹ. Trong quá trình học tập và nghiên cứu, ông đã có cơ hội sử dụng nam châm điện nhỏ để bật hoặc tắt một nam châm điện lớn hơn. Từ đó, Henry đã đưa ra suy đoán rằng rơ le có thể điều khiển các máy điện từ khoảng cách rất xa.

Sau khi phát hiện ra nguyên lý của rơ le, Henry đã ứng dụng ý tưởng này vào một phát minh khác của mình, đó là điện báo điện tử (tiền thân của điện thoại). Từ đó, rơ le được ứng dụng vào đời sống để chuyển mạch điện thoại và máy tính.
Cấu tạo rơ le nhiệt và ý nghĩa của các thông số
Rơ le nhiệt là thiết bị dẫn mạch điện vào hệ thống và bảo vệ để tránh tình trạng quá tải hoặc tăng đột ngột, gây nguy hiểm cho người sử dụng. Dưới đây là một số thông tin về thiết bị điện dân dụng này mà bạn nên tham khảo.
Cấu tạo rơ le nhiệt
Rơ le nhiệt có cấu tạo đơn giản với các bộ phận chính như sau:
- Đòn bẩy có trong rơ le nhiệt.
- Tiếp điểm thường đóng, ký hiệu là NC.
- Tiếp điểm thường mở, viết tắt là NO.
- Vít chỉnh ngăn dòng điện tác động.
- Thanh lưỡng kim của rơ le.
- Dây đốt nóng có trong rơ le.
- Cần gạt rơ le.
- Nút phục hồi, ký hiệu là reset.

Ví dụ, cấu tạo của rơ le nhiệt hãng ABB bao gồm một tiếp điểm đóng và mở.
- Tiếp điểm NC: Khi rơ le nhiệt bị quá tải, tiếp điểm NC sẽ mở. Bộ phận này thường được mắc nối tiếp với mạch điều khiển, có thể hiểu là cuộn hút contactor.
- Tiếp điểm NO: Khi rơ le nhiệt bị quá tải, tiếp điểm NO sẽ đóng. Bộ phận này thường được ứng dụng để kết nối với đèn hoặc còi báo động khi có sự cố xảy ra.
Ý nghĩa của các thông số
Rơ le nhiệt là một thiết bị điện dân dụng được thiết kế nhỏ gọn và tinh xảo. Bên cạnh dải lưỡng kim, rơ le còn có các bộ phận quan trọng khác như:
- Cài đặt dải khuếch đại: Đây là một núm xoay sẽ giúp thiết lập dòng định mức của động cơ. Người dùng có thể dùng núm này để cài đặt dòng điện nằm trong khoảng giới hạn trên hoặc dưới.
- Phần cuối: Là các đầu cuối thường được ký hiệu là L1, L2 và L3. Bộ phận này được gắn vào contactor để cung cấp động cơ, kết nối với tiếp điểm T1, T2 hoặc T3…
- Nút reset: Đây là nút đặt lại của rơ le nhiệt, giúp mọi người có thể đặt lại và xóa lỗi.
- Lựa chọn đặt lại rơ le thủ công hoặc tự động: Tùy thuộc vào việc cài đặt thủ công hoặc tự động để thiết bị có thể hoạt động.
- Liên lạc phụ trợ: Bộ phận này báo hiệu và ngắt kết nối để đóng cắt dây contactor trực tiếp khi phát hiện tình trạng rò rỉ dòng điện.
- Nút kiểm tra: Giúp người dùng kiểm tra dây điều khiển của rơ le nhiệt một cách chính xác nhất.

Ưu điểm của rơ le nhiệt
- Ngăn ngừa tình trạng quá tải, giúp động cơ tránh hư hỏng do nhiệt độ tăng cao.
- Đảm bảo an toàn cho thiết bị và hệ thống điện, giảm nguy cơ cháy nổ.
- Cấu tạo đơn giản, ít hư hỏng, hoạt động ổn định trong nhiều môi trường khác nhau. Sau khi ngắt do quá tải, chỉ cần reset thủ công hoặc tự động (tùy loại), động cơ có thể hoạt động trở lại.
- Giá thành thấp hơn nhiều so với các thiết bị bảo vệ điện tử hiện đại, phù hợp đa số doanh nghiệp. Có thể kết hợp trực tiếp với contactor, thuận tiện trong việc thiết kế tủ điện.
- Được dùng trong nhiều lĩnh vực: sản xuất công nghiệp, hệ thống bơm, quạt, máy nén khí, thang máy,…

Bảng giá của rơ le nhiệt mới nhất hiện nay
| STT | Model – Thương hiệu | Dải dòng (A) | Giá hiện tại (VNĐ) |
|---|---|---|---|
| 1 | LS MT-12 | 6–9 A | 230.000 |
| 2 | LS MT-12 | 4–6 A | 230.000 |
| 3 | LS MT-32 (phổ biến) | 12–18 A | 250.000 |
| 4 | LS MT-32 (3P, 12–18 A) | 12–18 A | 268.000 |
| 5 | LS MT-225 | 120–185 A | 1.940.000 |
| 6 | LS MT-400 | 200–330 A | 2.760.000 |
| 7 | Schneider LRD10 | 4–6 A | 340.200 |
| 8 | Schneider LRD16 | 9–13 A | 340.200 |
| 9 | Schneider LRD04 / LRD12 | (khác nhau) | 374.220 |
| 10 | Mitsubishi TH-T18 | 1.7–2.5 A | 178.000 |
| 11 | Chint NXR-25 | 5.5–8 A | 144.000 |
| 12 | Fuji TR-0N | 4–6 A | 157.630 |
| 13 | Rơ le nhiệt độ (loại kiểm soát nhiệt) | — | 104.000 |
Lưu ý: Bảng giá về rơ le nhiệt ở trên chỉ mang tính chất tham khảo.

Nguyên lý hoạt động của rơ le nhiệt
Rơ le nhiệt hoạt động dựa trên cơ chế khi dòng điện quá tải hoặc thiết bị điện (thông minh hoặc thông thường) hoạt động liên tục sẽ sinh ra một nhiệt lượng lớn tác động lên thanh kim loại. Điều này làm cho rơ le bị giãn nở, hở mạch và ngắt điện để giảm thiểu mức độ nguy hiểm khi sử dụng.

Quá trình này sẽ khiến dòng điện thay đổi đột ngột, do đó nhiệt độ sẽ tác động trực tiếp lên thanh kim loại. Đặc biệt, miếng kim loại đóng vai trò vô cùng quan trọng trong thành phần cấu tạo để thiết bị hoạt động hiệu quả.
Các loại rơ le nhiệt phổ biến hiện nay
Hiện nay, nhiều nhà sản xuất và cung cấp đã tung ra thị trường các loại rơ le nhiệt với nhiều kiểu dáng khác nhau để đáp ứng nhu cầu của mọi người. Bạn có thể tham khảo một số thông tin dưới đây để tìm hiểu thêm về dòng sản phẩm này.
Rơ le nhiệt 1 pha
Rơ le nhiệt một pha được nhiều gia đình sử dụng cho dòng điện có động cơ 220V để đảm bảo an toàn cho các thành viên và hệ thống điện trong nhà. Ngoài ra, sản phẩm này còn có thể giám sát quá trình hoạt động để ngăn chặn rủi ro có thể xảy ra khi có sự cố chập cháy động cơ bên trong.

Rơ le nhiệt 3 pha
Sản phẩm 3 pha là một trong những thiết bị điện có công suất lớn nhất, từ 3kW, 4kW đến 4.5kW. Rơ le nhiệt 3 pha thường được sử dụng trong công nghiệp để giúp đảm bảo hiệu suất mà dòng điện có thể cung cấp. Ngoài ra, khi gặp sự cố, rơ le sẽ có nhiệm vụ ngắt nguồn điện ra khỏi động cơ để giảm thiểu mọi nguy hiểm.

Rơle nhiệt nồi cơm điện
Rơ le nhiệt nồi cơm điện có nguyên lý hoạt động dựa trên sự giãn nở của các thanh kim loại khi đốt nóng, từ đó tự động đóng ngắt dòng điện khi có dấu hiệu quá tải. Thiết bị dân dụng này được thiết kế theo hình tròn nhỏ, gắn ở giữa mâm nhiệt và có khả năng cảm biến.

Rơle nhiệt máy bơm nước
Thiết bị điện dân dụng này có chức năng bảo vệ máy bơm nước khi hoạt động quá tải. Khi đó, rơ le nhiệt bắt đầu giãn nở, tự động ngắt điện để đảm bảo an toàn, tránh các nguy hiểm có thể xảy ra. Sản phẩm còn có khả năng bảo vệ tốt cho động cơ khỏi bị chập cháy.

Rơle nhiệt bàn là
Rơ le nhiệt bàn là hoạt động theo nguyên lý khi nhiệt độ tăng, băng kép cong và ngắt mạch điện; khi nhiệt độ giảm, băng kép thẳng và nối mạch điện đốt nóng bàn là. Do đó, người dùng phải chú ý điều chỉnh tăng giảm nhiệt độ một cách hợp lý để tránh gây ra nguy hiểm.

Rơle nhiệt bình nóng lạnh
Rơ le nhiệt bình nóng lạnh thường có khả năng không cho nước trong bình vượt quá nhiệt độ giới hạn. Thiết bị này sẽ tự động đóng hoặc ngắt dòng điện khi nhận thấy dấu hiệu nhiệt độ quá cao và ngược lại. Sản phẩm này tương tự như bàn là, bạn có thể tùy ý điều chỉnh tăng giảm nhiệt độ phù hợp.

Ứng dụng của rơ le nhiệt
Trong những năm gần đây, rơ le nhiệt được ứng dụng rộng rãi. Thiết bị này được sử dụng ở điện áp xoay chiều lên đến 500V, tần số 50Hz. Đặc biệt, rơ le nhiệt không tác động ngay lập tức theo giá trị dòng điện vì nó có quán tính nhiệt lớn, cần một khoảng thời gian nhất định để nóng.

Tuy nhiên, thời gian làm việc của rơ le nhiệt dao động từ vài giây đến vài chục phút nên không được sử dụng để bảo vệ ngắn mạch. Khi lắp đặt, nên trang bị thêm cầu chì để có thêm chức năng bảo vệ ngắn mạch.
Cách đấu rơ le nhiệt đúng tiêu chuẩn hiện nay
Cách đấu rơ le nhiệt không quá phức tạp, lại vô cùng đơn giản. Bạn chỉ cần làm theo những hướng dẫn dưới đây là có thể sử dụng thiết bị này ngay trong ngôi nhà của mình.
Cách đấu rơ le một pha
Rơ le nhiệt một pha thường được thiết kế ba cực độc lập cho 3 pha khác nhau. Nếu bạn muốn sử dụng cho dòng điện 1 pha mà chỉ cần đến 2 cực, bạn nối đầu của thiết bị với dòng điện, thanh kim loại. Lưu ý, phải kiểm tra công suất trước khi lắp để tránh xảy ra nguy hiểm.

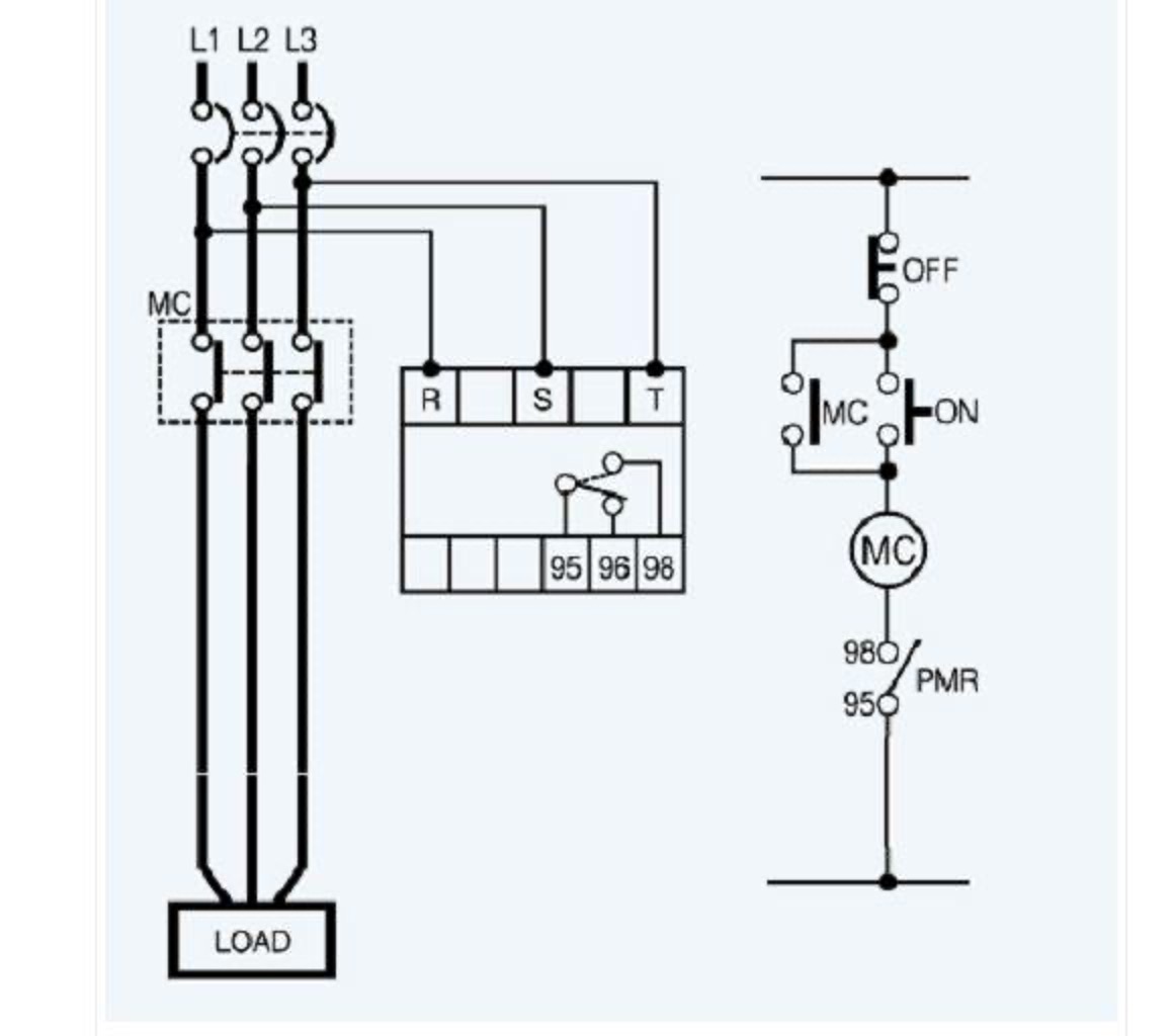
Cách đấu rơ le nhiệt 3 pha
Rơ le nhiệt 3 pha là loại có công suất lớn, được sử dụng trong công nghiệp nên bạn cần đặc biệt lưu ý để đấu thiết bị hợp lý. Điều này sẽ giúp tránh làm hư hỏng máy móc và giảm tuổi thọ của sản phẩm.

Cách đấu rơ le nhiệt 3 pha này được phân ra thành hai dòng: bảo vệ theo nguyên lý điện áp và bảo vệ theo nguyên lý dòng. Trong đó:
- MC bên tay trái: 3 tiếp điểm động lực của khởi động từ MC bên phải được tiếp điểm A1 đến A2 của cuộn hút.
- R,S,T: Là vị trí được đấu vào 3 pha.
- Load: Tải thiết bị sử dụng.
Hướng dẫn cách chọn rơ le nhiệt phù hợp
Ngày nay, nhiều thương hiệu đã cho ra mắt các dòng rơ le nhiệt đạt chuẩn chất lượng quốc tế. Tuy nhiên, một số người dùng vẫn băn khoăn không biết nên chọn loại thiết bị nào phù hợp với nhu cầu sử dụng. Dưới đây là những sản phẩm phổ biến nhất tại Việt Nam hiện nay mà bạn có thể tham khảo.
Chọn rơ le nhiệt theo thông số
Khi chọn rơ le nhiệt theo thông số, người tiêu dùng cần chú ý đến dòng làm việc, dòng sản phẩm để lựa chọn thiết bị phù hợp với hệ thống điện của gia đình. Tuy nhiên, bạn nên sử dụng loại có ngưỡng điều chỉnh tương ứng với dải hoạt động của động cơ hoặc mức chênh lệch chỉ 10% so với ban đầu.

Ngoài ra, khi lựa chọn rơ le nhiệt, nên sử dụng loại có sẵn chân cắm vào contactor tương thích với thiết bị. Điều này giúp sản phẩm có khả năng bảo vệ dòng điện cao, tránh quá tải và đảm bảo an toàn trong gia đình.
Lựa chọn chọn rơ le nhiệt theo thương hiệu
Hiện nay, nhiều chủng loại rơ le nhiệt được sản xuất và bày bán trên thị trường để đáp ứng nhu cầu của người tiêu dùng. Nếu bạn vẫn còn băn khoăn không biết nên chọn loại thiết bị nào tốt nhất cho ngôi nhà của mình, hãy tham khảo ngay một số thông tin bổ ích dưới đây.
Rơ le nhiệt Schneider
Trên thị trường, các sản phẩm đồ điện gia dụng đến từ thương hiệu Schneider được người tiêu dùng đánh giá cao về chất lượng và các chức năng mà rơ le nhiệt này sở hữu. Thiết bị điện tử nhạy cảm này được sản xuất trên dây chuyền hiện đại, công nghệ cao đạt chuẩn quốc tế.

Rơ le nhiệt từ Schneider có nhiều chức năng ưu việt. Tuy nhiên, sản phẩm điện dân dụng này thường sẽ có giá thành hơi cao so với một số loại thông thường.
Rơ le nhiệt Mitsubishi
Trong thời gian gần đây, Mitsubishi đã ghi điểm tuyệt đối với người tiêu dùng về độ uy tín và chất lượng của sản phẩm được bán ra thị trường. Các dòng rơ le nhiệt được thiết kế đơn giản, tinh xảo và siêu hiện đại, phù hợp với mọi không gian nhà ở hiện nay.

Rơ le nhiệt Sino là một trong những lựa chọn hàng đầu của nhiều gia đình, công trình và dự án lớn. Ngoài ra, quy trình lắp đặt sản phẩm rất nhanh chóng và thuận tiện.
Rơ le nhiệt LS
Rơ le nhiệt Roman được thiết kế bằng nhựa với chất lượng cao, với dây điện làm bằng vỏ đồng dày, có tính đàn hồi và dẫn điện tốt. Điều này giúp sản phẩm không bị biến màu, mài mòn theo thời gian.

Ngoài ra, rơ le nhiệt này còn được ứng dụng trong các công trình dân dụng và văn phòng làm việc. Sản phẩm được thiết kế tinh xảo, nhỏ gọn, đảm bảo tính thẩm mỹ.
Rơ le nhiệt Fuji Electric
Fuji Electric tự hào là một trong những thương hiệu cung cấp sản phẩm uy tín, chất lượng đến từ Châu Á. Các thiết bị điện tử nhạy cảm của công ty này đều được sản xuất trên dây chuyền công nghệ siêu hiện đại, đạt chuẩn chất lượng năm sao.

Bên cạnh đó, rơ le nhiệt Fuji Electric được thiết kế nhỏ gọn và tinh xảo, đảm bảo tính thẩm mỹ của sản phẩm. Thiết bị điện tử nhạy cảm này là lựa chọn quan trọng hàng đầu của các công trình, dự án lớn.
Cách chỉnh rơ le nhiệt đúng cách
Việc chỉnh rơ le nhiệt giúp thiết bị hoạt động tốt hơn, phù hợp với định mức và công suất trong nhà của bạn. Ngoài ra, điều này còn có thể tăng tuổi thọ của sản phẩm và hạn chế hư hỏng máy móc khi sử dụng. Dưới đây là các bước chỉnh replay đúng cách mà người dùng nên tham khảo.
- Bước 1: Đo dòng điện tổng trên dây pha vào động cơ lúc đang làm việc nặng nhất. Tuy nhiên, cần lưu ý giá trị dòng điện phải nhỏ hơn dòng định mức của thiết bị.
- Bước 2: Có thể chỉnh rơ le nhiệt thông qua cách đo dòng thực tế với quy chuẩn dòng điện chỉ định = 1.1 xltt.

Rơ le nhiệt là thiết bị nhỏ gọn nhưng đóng vai trò vô cùng quan trọng trong việc bảo vệ động cơ và hệ thống điện khỏi tình trạng quá tải. Với ưu điểm dễ lắp đặt, chi phí hợp lý và độ tin cậy cao, rơ le nhiệt ngày càng được ứng dụng rộng rãi trong công nghiệp và dân dụng. Hy vọng qua bài viết trên của Đại Việt, đã giúp quý độc giả hiểu rõ hơn về rơ le nhiệt rồi nhé.















